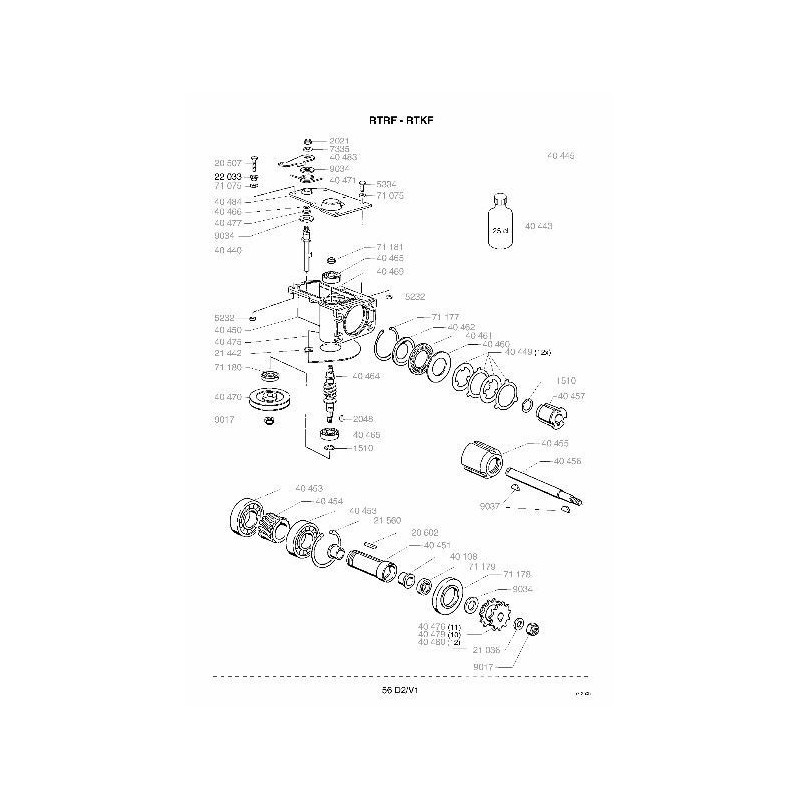
JEU DISQUES COMPLET - PIECE DETACHEE D'ORIGINE OUTILS WOLF

JEU DISQUES COMPLET
138
13
paypal
Payez avec Paypal
Alma paiement en 3 ou 4 fois en savoir plus
Chez vous entre le 11/02 et le 18/02
40449
chevron_right