Notre boutique utilise des cookies pour améliorer l'expérience utilisateur et nous vous recommandons d'accepter leur utilisation pour profiter pleinement de votre navigation.
Plus d'informations
Personnalisation
Configuration des cookies
Personnalisation
- Cookies tiers à des fins d'analyse.
- Afficher des recommandations personnalisées en fonction de votre navigation sur d'autres sites
- Afficher des campagnes personnalisées sur d'autres sites Web
Fonctionnel (obligatoire)
- Nécessaire pour naviguer sur ce site et utiliser ses fonctions.
- Vous identifier en tant qu'utilisateur et enregistrer vos préférences telles que la langue et la devise.
- Personnalisez votre expérience en fonction de votre navigation.
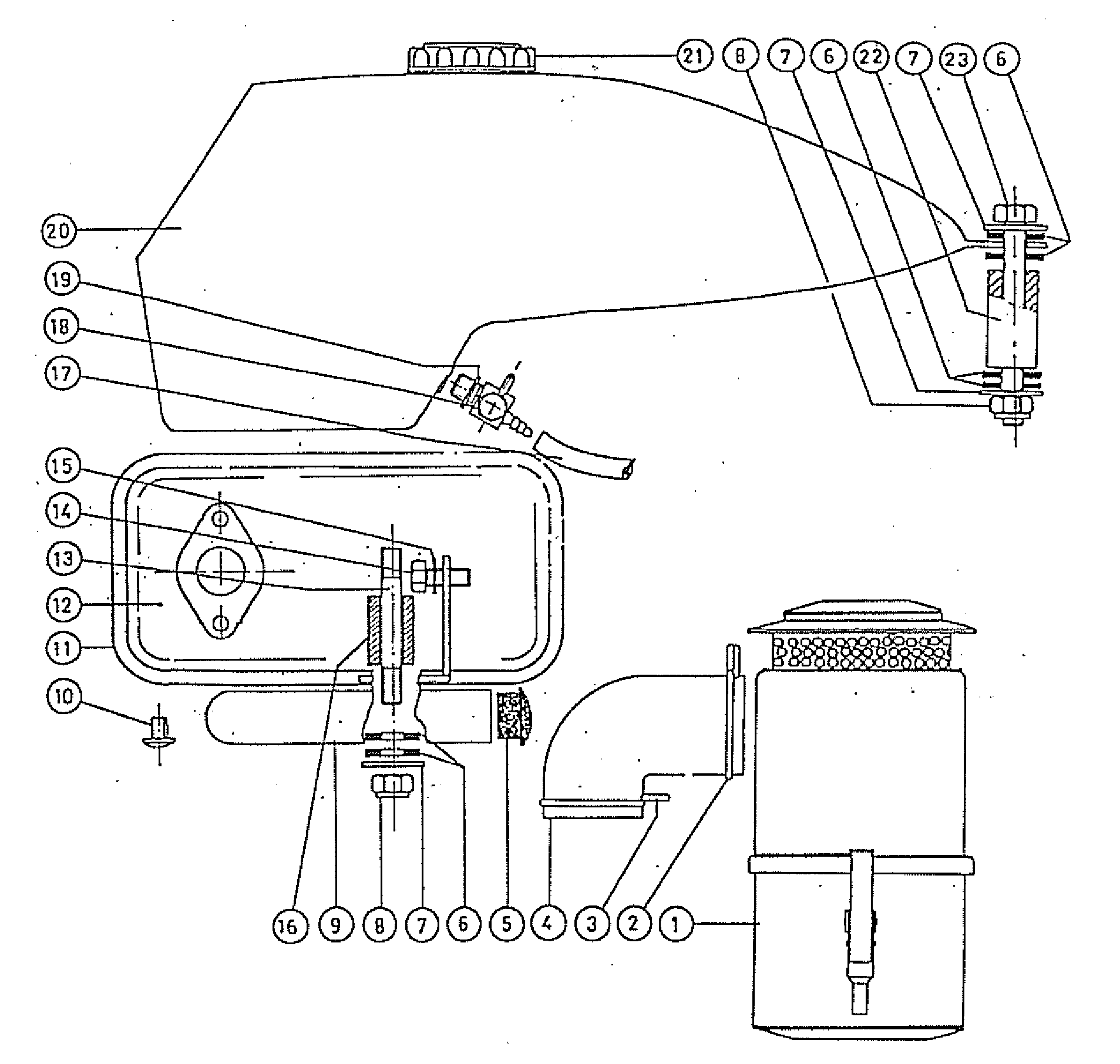
Capot
| Position | Réf. produit | Nom | Prix | Disponibilité |
|---|---|---|---|---|
| 18 | X2050062 | Rubinetto Carbura Référence X2050062 | 31,21 € |
|
| 20 | X2050060 | Coffre Référence X2050060 | 411,56 € |
|
| 21 | X2050061 | Bouchon Référence X2050061 | 20,30 € |
|
| 23 | N6300000 | Vis Référence N6300000 | 2,34 € |
|